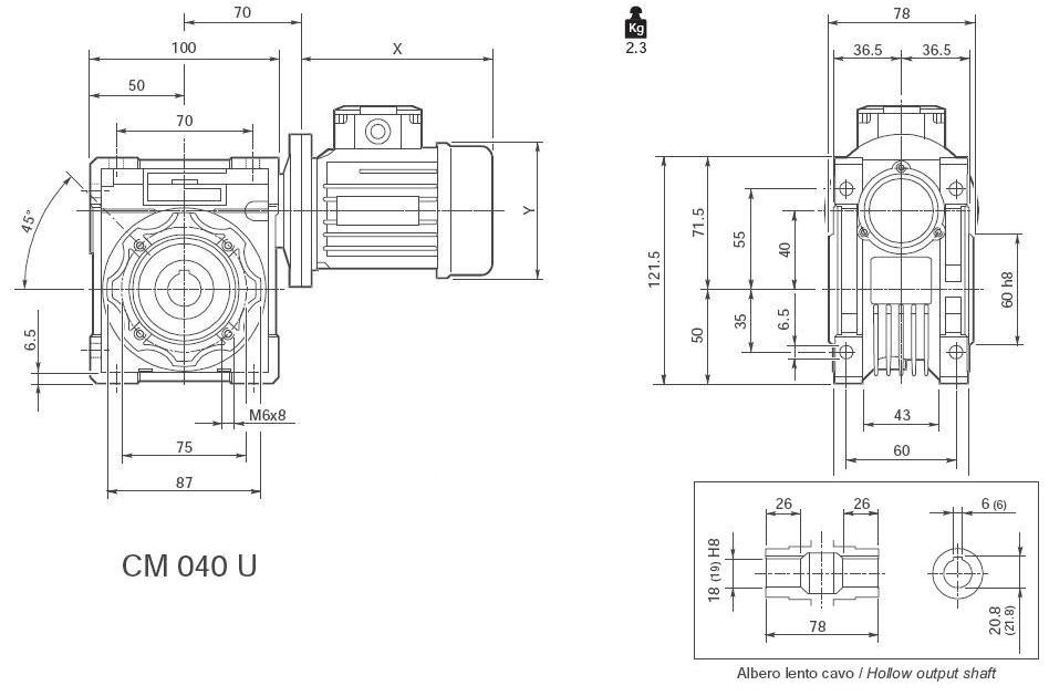
CM040U