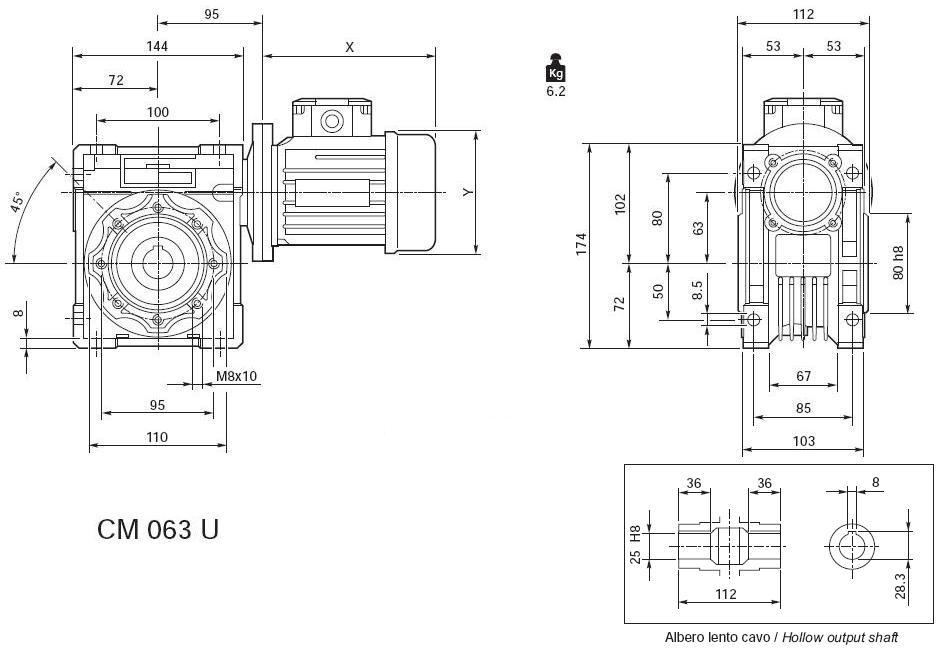
CM063U