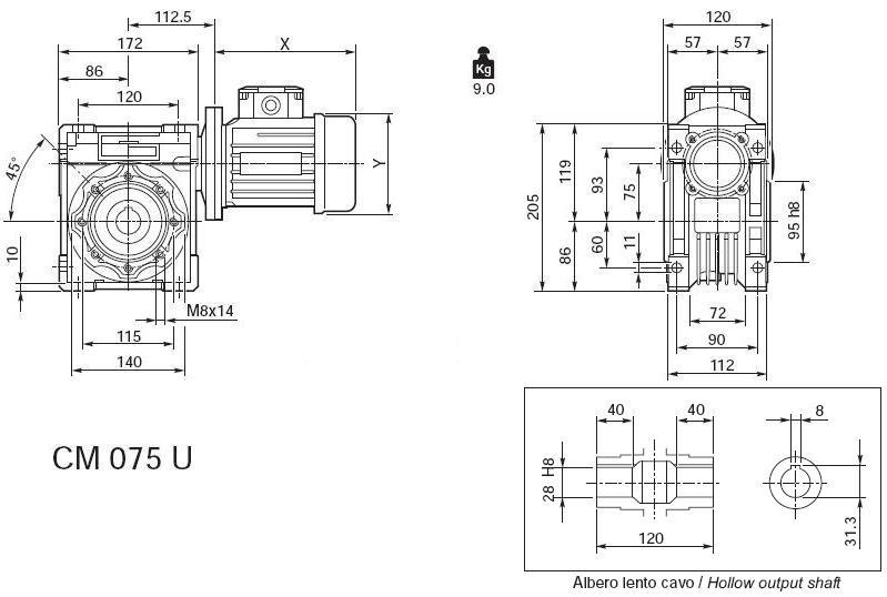
CM075U