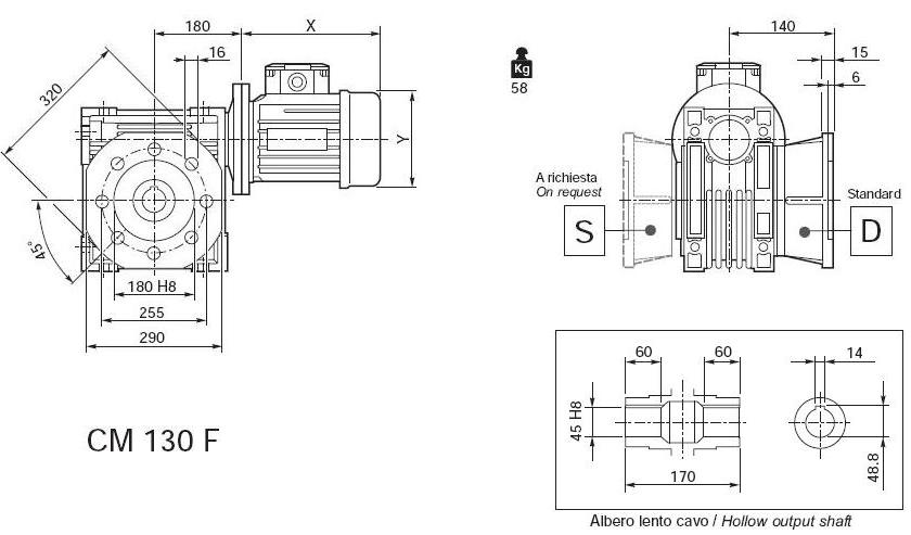
CM130F