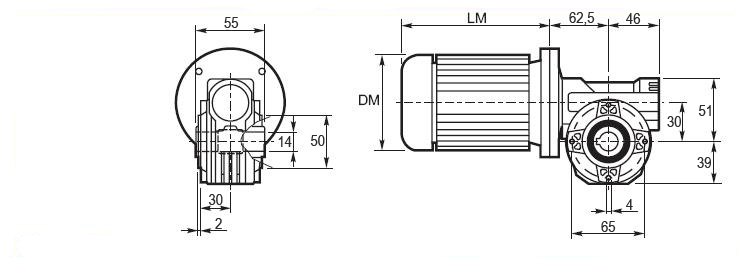
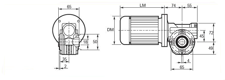
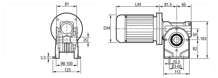
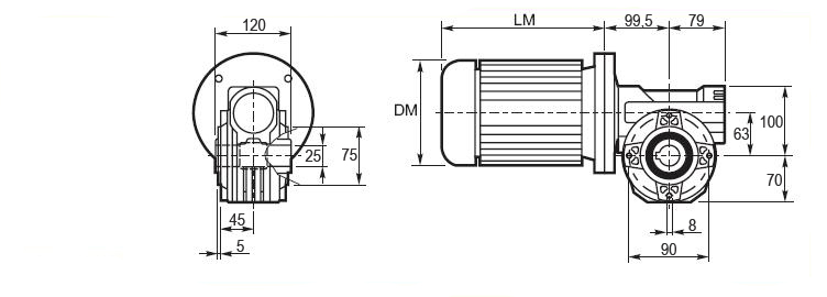
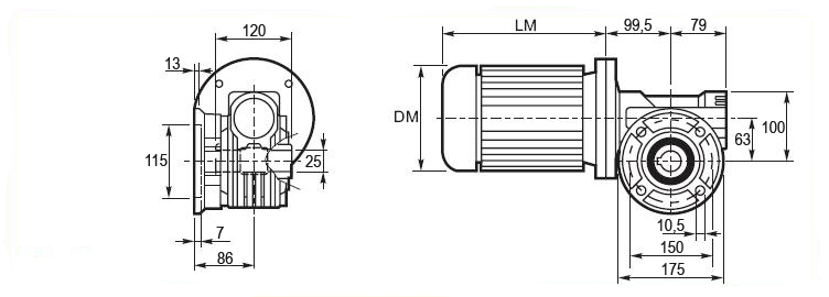
Mărimile 030, 040, 050, 063, 075 şi 090 sunt construite cu corp din aluminiu turnat sub presiune.
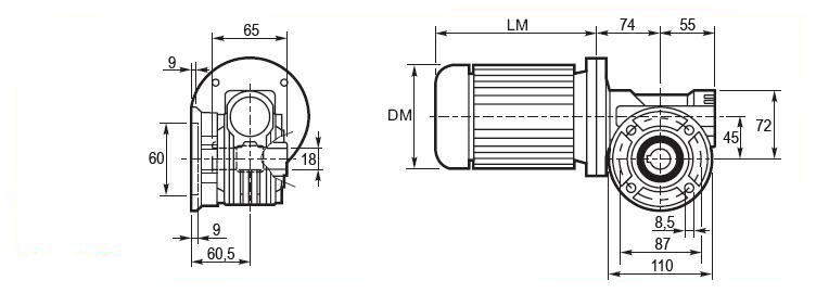
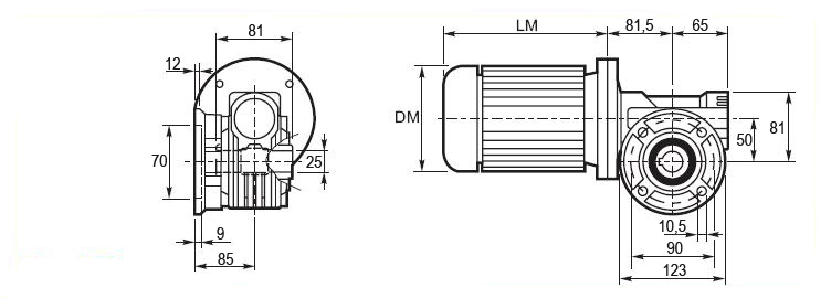
dimensiunile mai mari sunt realizate din fontă.
Toate dimensiunile sunt cu lubrifiant sintetic cu vâscozitate 320 cst, durată de viaţă lungă.
Mărimile 075, 090, 110 şi 130 sunt furnizate cu rulmenţi cu role conice pe melc.


















|
|
|
|
|
|
|
|
|
|
Cerere de Ofertă