Motoreductoarele de cc fabricate de Micro-Motors sunt disponibile in diferite marimi si diferite puteri.
Pentru fiecare serie de motoare puteti alege dintre mai multe rapoarte si diferite puteri.
Motoreductorul de curent continuu Micro Motors este disponibil si cu encoder magnetic cu efect Hall, prin care puteti controla rotatia.
* Asigurăm 1 an de garantie pentru toate produsele comercializate
Rezistenta-VDR in colector
Directia de rotatie, în functie de polaritate.
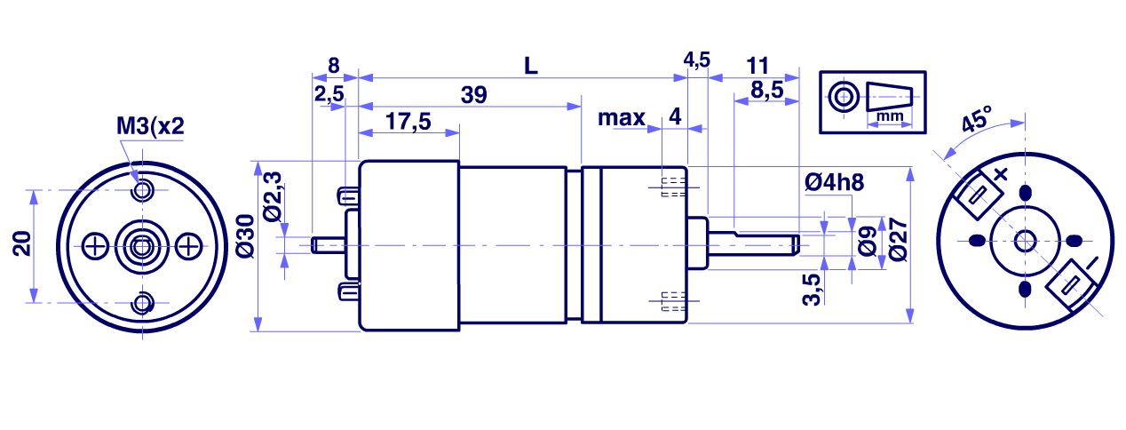
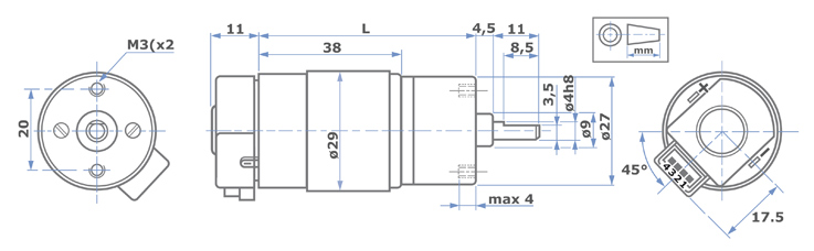
Încãrcare radialã maximã: 10N.
Încãrcare axialã maximã: 5N.
Poate fi montat în orice pozitie.
Domeniul de temperaturã: -20°C/60°C
Greutate aprox: 100g
Valorile tipice la temperatura ambiantã 20 ° +/-10%
| TIPO TYPE |
|
L |
|
|
TURATIA | CURENT | ||||
FARA |
SARCINA |
FARA |
SARCINA |
|||||||
| v | mm | Ncm | rpm | mA | ||||||
| HL 149 | 12 24 |
10 | 12 24 |
57,5 | 10 | 4 | 315 | 220 | <60 <50 |
210 120 |
| HL 149 | 12 24 |
21 | 12 24 |
57,5 | 20,8 | 7,5 | 160 | 115 | <60 <50 |
200 115 |
| HL 149 | 12 24 |
43 | 12 24 |
62,5 | 43,3 | 15 | 78 | 55 | <60 <50 |
210 120 |
| HL 149 | 12 24 |
90 | 12 24 |
62,5 | 90,3 | 15 | 37 | 30 | <60 <50 |
150 85 |
TIP |
L149 | B138F BS138F |
B138F.4/12 BS138F.4/12 |
HL149 | HV155 | RH158 | RH159 | BL192 | PS150 | E192 | P205 | |
| TENSIUNE | V | 4-6-12 | 6-12 | 12 | 12-24 | 12-24 | 12-24 | 12-24 | 24 | 12-24 | 12-24 | 12-24 |
| RAPORT | 10 ÷ 392 | 12 ÷ 1470 | 12 ÷ 608 | 10 ÷ 90 | 10 ÷ 90 | 15 ÷ 630 | 30 ÷ 630 | 30 ÷ 625 | 30 ÷ 625 | 3 ÷ 625 | 4 ÷ 625 | |
| CUPLUL MAXIM | Ncm | 20 | 50 | 50 | 15 | 25 | 100 | 100 | 300 | 250 | 300 | 900 |
| TURATIA(FARA SARCINA) | RPM | 255 ÷ 6 | 220 ÷ 1,8 | 320 ÷ 6,5 | 315 ÷ 37 | 660 ÷ 75 | 440 ÷ 10 | 110 ÷ 5 | 1360 ÷ 8 | 2040 ÷ 11 | 1100 ÷ 6,4 | 1024 ÷ 6,7 |
| TURATIA(CU SARCINA MAXIMA) | RPM | 165 ÷ 4 | 155 ÷ 1,6 | 250 ÷ 5,3 | 220 ÷ 30 | 460 ÷ 62 | 300 ÷ 9 | 70 ÷ 4,5 | 880 ÷ 7,5 | 1340 ÷ 8,5 | 770 ÷ 6 | 640 ÷ 6,3 |
| Dimensiuni | mm | Ø 27 | Ø 34 | Ø 34 | Ø 30 | Ø 30 | Ø 39,6 | Ø 39,6 | Ø 40,5 | Ø 30 | Ø 40,5 | ☐ 42 |
Cerere de Ofertă