Motoreductoarele de cc fabricate de Micro-Motors sunt disponibile in diferite marimi si diferite puteri.
Pentru fiecare serie de motoare puteti alege dintre mai multe rapoarte si diferite puteri.
Motoreductorul de curent continuu Micro Motors este disponibil si cu encoder magnetic cu efect Hall, prin care puteti controla rotatia.
* Asigurăm 1 an de garantie pentru toate produsele comercializate
Rezistenta-VDR in colector
Directia de rotatie, în functie de polaritate.
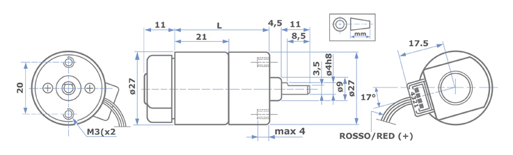
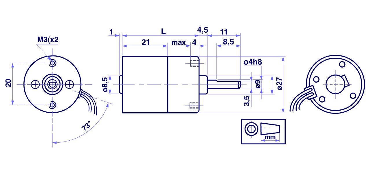
Încãrcare radialã maximã: 10N.
Încãrcare axialã maximã: 5N.
Perii confectionate din metal pretios (Au-Ag-Cu)
Poate fi montat în orice pozitie.
Domeniul de temperaturã: -20°C/60°C
Greutate aprox: 55g
Valorile tipice la temperatura ambiantã 20 ° +/-10%
| TIP |
|
L | RAPORT |
|
TURATIA | CURENT | ||||
FARA |
SARCINA |
FARA |
SARCINA |
|||||||
| v | mm | Ncm | rpm | mA | ||||||
| L 149 | 4 6 12 |
10 | 4,5 6 12 |
36 | 10 | 1,5 | 255 215 255 |
165 120 165 |
<35 <30 <20 |
100 85 50 |
| L 149 | 4 6 12 |
21 | 4,5 6 12 |
36 | 20,8 | 2,5 | 125 105 125 |
80 60 80 |
<35 <30 <20 |
100 85 50 |
| L 149 | 4 6 12 |
43 | 4,5 6 12 |
41 | 43,3 | 3,8 | 60 52 60 |
40 32 40 |
<35 <30 <20 |
100 85 50 |
| L 149 | 4 6 12 |
90 | 4,5 6 12 |
41 | 90,3 | 8 | 30 25 30 |
18 13 18 |
<35 <30 <20 |
100 85 50 |
| L 149 | 4 6 12 |
188 | 4,5 6 12 |
46 | 188 | 14 | 14 12 14 |
9 7 9 |
<35 <30 <20 |
100 85 50 |
| L 149 | 4 6 12 |
392 | 4,5 6 12 |
46 | 391,8 | 20 | 7 6 7 |
5 4 5 |
<35 <30 <20 |
90 75 45 |
TIP |
L149 | B138F BS138F |
B138F.4/12 BS138F.4/12 |
HL149 | HV155 | RH158 | RH159 | BL192 | PS150 | E192 | P205 | |
| TENSIUNE | V | 4-6-12 | 6-12 | 12 | 12-24 | 12-24 | 12-24 | 12-24 | 24 | 12-24 | 12-24 | 12-24 |
| RAPORT | 10 ÷ 392 | 12 ÷ 1470 | 12 ÷ 608 | 10 ÷ 90 | 10 ÷ 90 | 15 ÷ 630 | 30 ÷ 630 | 30 ÷ 625 | 30 ÷ 625 | 3 ÷ 625 | 4 ÷ 625 | |
| CUPLUL MAXIM | Ncm | 20 | 50 | 50 | 15 | 25 | 100 | 100 | 300 | 250 | 300 | 900 |
| TURATIA(FARA SARCINA) | RPM | 255 ÷ 6 | 220 ÷ 1,8 | 320 ÷ 6,5 | 315 ÷ 37 | 660 ÷ 75 | 440 ÷ 10 | 110 ÷ 5 | 1360 ÷ 8 | 2040 ÷ 11 | 1100 ÷ 6,4 | 1024 ÷ 6,7 |
| TURATIA(CU SARCINA MAXIMA) | RPM | 165 ÷ 4 | 155 ÷ 1,6 | 250 ÷ 5,3 | 220 ÷ 30 | 460 ÷ 62 | 300 ÷ 9 | 70 ÷ 4,5 | 880 ÷ 7,5 | 1340 ÷ 8,5 | 770 ÷ 6 | 640 ÷ 6,3 |
| Dimensiuni | mm | Ø 27 | Ø 34 | Ø 34 | Ø 30 | Ø 30 | Ø 39,6 | Ø 39,6 | Ø 40,5 | Ø 30 | Ø 40,5 | ☐ 42 |
Cerere de Ofertă