Motoreductoarele de cc fabricate de Micro-Motors sunt disponibile in diferite marimi si diferite puteri.
Pentru fiecare serie de motoare puteti alege dintre mai multe rapoarte si diferite puteri.
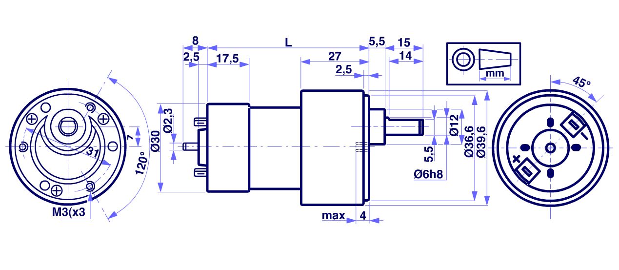
Motoreductorul de curent continuu Micro Motors este disponibil si cu encoder magnetic cu efect Hall, prin care puteti controla rotatia.
* Asigurăm 1 an de garantie pentru toate produsele comercializate
Rezistenta-VDR in colector
Directia de rotatie, în functie de polaritate.
Încãrcare radialã maximã: 50N.
Încãrcare axialã maximã: 10N.
Poate fi montat în orice pozitie.
Domeniul de temperaturã: -20°C/60°C
Greutate aprox: 190g
Valorile tipice la temperatura ambiantã 20 ° +/-10%
| TIPO TYPE |
TENSIUNE |
L | RAPORT |
CUPLUL |
TURATIA | CURENT | ||||
FARA |
SARCINA |
FARA |
SARCINA |
|||||||
| v | mm | Ncm | rpm | mA | ||||||
| RH 158 | 12 24 |
15 | 12 24 |
64 | 14,14 | 10 | 440 | 300 | <140 <70 |
660 330 |
| RH 158 | 12 24 |
30 | 12 24 |
64 | 29,75 | 20 | 210 | 140 | <140 <70 |
660 330 |
| RH 158 | 12 24 |
75 | 12 24 |
66,5 | 76,84 | 50 | 81 | 55 | <140 <70 |
680 340 |
| RH 158 | 12 24 |
100 | 12 24 |
66,5 | 94,37 | 60 | 66 | 45 | <140 <70 |
680 340 |
| RH 158 | 12 24 |
200 | 12 24 |
69 | 198,5 | 100 | 33 | 23 | <140 <70 |
580 290 |
| RH 158 | 12 24 |
250 | 12 24 |
69 | 243,8 | 100 | 26 | 21 | <140 <70 |
500 250 |
| RH 158 | 12 24 |
510 | 12 24 |
72 | 512,85 | 100 | 12 | 10,5 | <140 <70 |
300 150 |
| RH 158 | 12 24 |
630 | 12 24 |
72 | 629,82 | 100 | 10 | 9 | <140 <70 |
270 135 |
TIP |
L149 | B138F BS138F |
B138F.4/12 BS138F.4/12 |
HL149 | HV155 | RH158 | RH159 | BL192 | PS150 | E192 | P205 | |
| TENSIUNE | V | 4-6-12 | 6-12 | 12 | 12-24 | 12-24 | 12-24 | 12-24 | 24 | 12-24 | 12-24 | 12-24 |
| RAPORT | 10 ÷ 392 | 12 ÷ 1470 | 12 ÷ 608 | 10 ÷ 90 | 10 ÷ 90 | 15 ÷ 630 | 30 ÷ 630 | 30 ÷ 625 | 30 ÷ 625 | 3 ÷ 625 | 4 ÷ 625 | |
| CUPLUL MAXIM | Ncm | 20 | 50 | 50 | 15 | 25 | 100 | 100 | 300 | 250 | 300 | 900 |
| TURATIA(FARA SARCINA) | RPM | 255 ÷ 6 | 220 ÷ 1,8 | 320 ÷ 6,5 | 315 ÷ 37 | 660 ÷ 75 | 440 ÷ 10 | 110 ÷ 5 | 1360 ÷ 8 | 2040 ÷ 11 | 1100 ÷ 6,4 | 1024 ÷ 6,7 |
| TURATIA(CU SARCINA MAXIMA) | RPM | 165 ÷ 4 | 155 ÷ 1,6 | 250 ÷ 5,3 | 220 ÷ 30 | 460 ÷ 62 | 300 ÷ 9 | 70 ÷ 4,5 | 880 ÷ 7,5 | 1340 ÷ 8,5 | 770 ÷ 6 | 640 ÷ 6,3 |
| Dimensiuni | mm | Ø 27 | Ø 34 | Ø 34 | Ø 30 | Ø 30 | Ø 39,6 | Ø 39,6 | Ø 40,5 | Ø 30 | Ø 40,5 | ☐ 42 |
Cerere de Ofertă